| ★CD4060BE 14ステージ・カウンタ/オシレーターIC 2個 | |
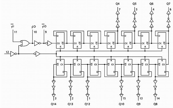
| 商品説明 | 発振回路を内蔵した、カウンターICです。 CR発振や、高精度水晶発振も出来るカウンターICで、 出力は、Q4(16分周)からQ14(16384分周)まで出ます。 電源電圧範囲は、3 から 18Vまでと広いので 使いやすいですよ。 定形外郵便 140円で発送いたします。 データーシートはこちらをご覧ください。 |
| こちらの商品案内は 「■@即売くん4.50■」 で作成されました。 | |

1. 一口价
出价大于等于一口价时,拍卖将立即结束,您将以一口价中标。
2. 立即出价
立即出价金额是指您能接受该拍品的最高金额,代购服务费及各种运杂费除外。我们将最高金额直接提交到JDirectitems平台上。JDirectitems平台会根据他们的规则来逐步加价。
例如:扣除运杂费您立即出价1万日元,拍品的现在价格是1000日元,如果没有人竞争,您将以1000日元中标,如果有人竞争到5000日元,您将以5500日元中标,如果有人出价到15000日元,则对方会以11000日元中标。如果结束之前,您再次出价到20000日元,则您以16000日元中标。中标的前提是没有人再出价。结束前5分钟之内如果有人出价,则自动延时5分钟,直到没有人出价为止。
3. 预约出价
预约出价是指日拍网平台会在结束之前10分钟之内将您的出价金额提交到JDirectitems平台上。由于是集中出价,您的预约出价不一定会成功。
对重要拍品,建议不要使用预约出价。
4. 多会员竞拍同一件拍品时
会员竞拍同一件拍品时,我们通常会分配不同的ID去出价,但分配的ID有可能被卖家已经拉黑而不能正常出价。
5. 卖家取消出价
1)在结束之前,卖家有权取消买家的出价,但中标之后,卖家如果取消中标,JDirectitems平台会自动差评卖家。
2)您的出价无论是被超越,还是出价成功,都是有效出价,即使卖家删除最高价让您中标也是符合JDirectItems Auction规则,请谨慎对待您的每次出价,杜绝激情出价!
6. 提前结束下架
卖家有权在结束之前下架该拍品,所有出价全部自动取消。
7. 关于弃标
Ⅰ.日拍网的订单不接受任何理由弃标(含煤炉),必须48小时之内完成支付!
Ⅱ.一旦出价成功,出价将无法取消,请您谨慎出价!
Ⅲ.一旦成功中标,您必须全额支付该拍品(成交价+消费税+银行转账费+日本邮费+代购费)。
Ⅳ.如果您拒绝支付该拍品即视为您弃标。
Ⅴ.如果您48小时之内未支付该拍品,卖家可能会删除交易并给予日拍网恶评,这种情况也视为您弃标。
Ⅵ.弃标也必须全额支付该拍品(成交价+消费税+银行转账费+日本邮费+代购费)。
否则,日拍网有权扣除您对应比例的出价押金或保证金,出价押金或保证金低于中标拍品价格时,日拍网将扣押您的库存拍品作为赔偿。
一、海淘有惊喜,但同时也有风险,作为海淘者,您需要承担以下风险:
1.如果购买的是字画、瓷器等古美术品或知名品牌奢侈品,买家需要承担是仿品的风险
日拍网的拍品转自日本JDirectitems平台,没有能力管理约束卖家,我们只是买家和卖家之间的中介,履行中介义务,不承担卖家责任。日拍网的工作人员也不具备相关鉴定知识,无法分担此类风险。
2.收到的货品不满意或跟网页图片品相有差异(例如:卖家P图片),或日文描述没有看懂,买错了东西,无法退换的风险
如果卖家同意退换,物品寄回日本的国际邮费需要买家本人承担,日本国内寄回给卖家的邮费由日拍网承担。
3.商品在国际邮寄途中出现破损、丢失的风险。日拍网无法管控物流过程,无法替买家分担此类风险
直邮的快件出现破损、丢失的,邮寄时如果没有购买保险,日本邮局最高赔偿2万日元,如果有购买保险,按保险金额赔偿。出现破损的,需要当面做异常签收,否则买家自行承担破损的全部责任。
4.如果您的货品寄往日本本地,您在包裹签收前,请务必确认外包装是否有变形、破损、包装受潮、纸箱变色、纸箱重新封胶;商品是否破损、缺货。如有上述状况,您有权要求开封验货,以确认商品完整。如发现商品破损或少件,您务必用手机拍下破损情况,要求在快递单上写下实际情况且有权选择拒收,由快递公司来承担破损责任。并于当天告知我们,如未反馈,日拍网默认您货品完好,不承担任何责任。如果物品选择第三方物流(例如:第三方转运),请自行与第三方签订责任风险
5.如果您的包裹被退运,退运后再重新打包邮寄出现丢失、破损的风险由您本人承担,日拍网不承担任何责任。
6.对直邮的物品,以自用为原则,如果是商用请按货物进口申报,否则有走私的风险
大量邮寄非消耗类的同类物品超过一定数量(例如:500个铁壶、300台CD机、200个电饭锅等等)时,海关会认为超出了合理的自用范围而进行缉私侦查。
7.日拍网的出价ID是动态的,无法保证您一直使用同一个ID出价
例如:多人竞拍同一件拍品时、出现出价系统错误时等等,系统可能会更换ID。不同ID中标的拍品无法同捆。
二、作为代购中介方,日拍网将承担以下力所能及的风险:
1.买家付款之后,日本卖家不发货,由日拍网全额退款。
2.货品从卖家发到日拍网日本仓库途中出现丢失、损坏的由日拍网承担全额赔偿责任。
3.货品在日拍网仓库免费存储期内出现丢失,损坏的由日拍网承担全额赔偿责任。
三、日拍网的风险提醒:
1.如果您是新会员,首次出价购买工艺美术(古董收藏品)类目的商品时,系统会弹窗提醒:
“亲爱的会员,您出价的宝贝属于工艺美术品,日拍网是代拍平台,我们只是您和卖家之间的中介,履行中介义务,不承担卖家责任,您需要自己承担拍品是仿品的风险。出价之前也请仔细阅读拍卖详细页的《出价规则》、《风险》、《费用》等重要说明!”,您需要点“同意”才能继续出价。
2.卖家的好评低于100时,日拍网会弹窗提醒:
“亲爱的会员,此卖家的评价较低,可能存在诚信上的风险,日拍网只是您和卖家之间的中介,履行中介义务,不承担卖家诈骗风险。出价之前也请仔细阅读拍卖详细页的《出价规则》、《风险》、《费用》等重要说明!”,您需要点“同意”才能继续出价。
3.卖家的好评低于30时,日拍网会二次弹窗提醒:
首先“亲爱的会员,此卖家的好评低于30,可能存在诈骗风险,日拍网只是您和卖家之间的中介,履行中介义务,不承担卖家诈骗风险。出价之前也请仔细阅读拍卖详细页的《出价规则》、《风险》、《费用》等重要说明!”,点“同意”后,二次弹窗提醒“亲爱的会员,此卖家的好评低于30,可能存在诈骗风险,您需自行承担此风险,确定要出价吗?”,您需要“同意”才能继续出价。
4.卖家好评低于5时,日拍网将禁止出价,您需要联系客服,确定自行承担相关风险后解禁。
5.每次出价之前,日拍网弹窗提醒您仔细阅读《出价规则》、《风险》、《费用》等重要说明,您需要“同意”才能继续出价。
四、我们拒绝代购以下商品,简称服务外商品:
(一)禁止购买的物品
1.商品重量和体积超过各种邮寄方式限制的物品
能否邮寄请提前咨询客服。
2.根据日本的法律被限制出口的商品(如药品、活的生物)。
3.华盛顿公约或CITES公约禁止交易的物品,详细说明请参考《华盛顿公约或CITES公约》。
4.中华人民共和国禁止进境物品
①各种武器、仿真武器、弹药及爆炸物品;
②伪造的货币及伪造的有价证券;
③对中国政治、经济、文化、道德有害的印刷品、胶卷、照片、唱片、影片、录音带、录像带、激光视盘、计算机存储介质及其它物品;
④各种烈性毒药;
⑤鸦片、吗啡、海洛因、大麻以及其它能使人成瘾的麻醉品、精神药物;
⑥带有危险性病菌、害虫及其它有害生物的动物、植物及其产品;
⑦有碍人畜健康的、来自疫区的以及其它能传播疾病的食品、药品或其它物品。
5.中华人民共和国限制进境物品
①无线电收发信机、通信保密机;
②烟、酒;
③濒危的和珍贵的动物、植物(均含标本)及其种子和繁殖材料;
④国家货币;
⑤海关限制进境的其它物品。
常见禁止和限制购买的物品例如:象牙及相关加工制品、活物、动物部件(例:鲸牙,虎牙等)、龟甲、植物、香木、沉香木、檀木(例:紫檀、白檀、黑檀等)、花梨木、珊瑚类、琥珀、药品、流通货币、羽毛、纸币、蛤基棋子、仿真枪、刀具、烟(含电子烟)、酒、涉黄物品(例:影片、音像、图片、书籍书刊、BL书籍等所有涉黄周边内容)、毒品、反动报刊、皮草、貂皮、鲛皮、动物皮制衣服等所有海关禁止入境或其它一切国家禁止买卖的商品。
请参考
《中华人民共和国禁止进出境物品表》和《中华人民共和国限制进出境物品表》(1993年2月26日海关总署令第43号发布自1993年3月1日起施行)
详情请点击:http://www.customs.gov.cn//customs/302249/302266/302267/356445/index.html
(二)日本邮局无法承运的物品
含有金、银等贵重金属的物品、液体类、香水、打火机、火柴、蜡烛、木炭、电池、电池无法拆除的器物、移动电源、无线电类、蓝牙耳机、精密仪器、电脑硬盘、高压气体、救生圈、避震器、排气管、方向盘(含气囊)、化油器、油箱油罐等(含油渍)物品、带气体或带油渍物品、膏类、脂类(例:润滑脂等)、热水器、火钵类、煤气炉等(用瓦斯)、带喇叭、磁铁的物品(例:音响)、发动机或带发动机的模型、马达或带马达的模型、贝壳及贝壳镶嵌类物品(例:含螺鈿細工工艺品)、颜料、打印机墨盒、易燃易爆物品、电机、电容、粉末类。以上物品其它物流(例:FEDEX)能否邮寄请咨询客服。
日拍网的汇率采用中国银行现钞卖出价,即您人民币现金购买日元现金的汇率。
1. 购买的货品价格。
2. 日本银行转帐费。
由日拍网支付给日本卖家时发生的银行转帐费。
转帐金额 < 3万日元时,银行转帐费 = 160 日元
转帐金额 >= 3万日元时,银行转帐费 = 250 日元
3. 日本国内邮费
日本卖家将货品发送到日拍网日本仓库时发生的邮寄费。
请参考商品网页上的说明,若无说明,一般普通3KG左右的普通件700日元左右,超大件2000日元至1万日元不等。下单前有疑问的请咨询客服。
4. 国际邮费
货品的国际邮费以物流公司或邮局的实际收费为准,日拍网自有的物流渠道以网站公布的价格为准,如价格有变动,我们会在会员中心即时通知。现有邮费价格请参考附件《国际邮费价格表》。
5. 日拍网服务费
I.日拍网的服务费根据货值按以下规则分段收费。
| 单 件 货 值(日元) | 服 务 费(日元) |
|---|---|
| 货值 < 1万 | 380 |
| 1万 <= 货值 < 5万 | 1000 |
| 5万 <= 货值 < 10万 | 3000 |
| 10万 <= 货值 < 50万 | 5000 |
| 货值 >= 50万 | 20000 |
II.折扣条件
在仓库的货品积压低于30件的可给予服务费7折优惠。其它折扣条件见平台活动公告。
注:服务费380日元最低档不享受折扣
6. 包装材料费
日拍网的包装材料费按使用纸箱大小收费,在标准包装之外要特别加强包装的,另外加收每箱200-500日元,需特定纸箱或木箱的视成本情况如实收取。
| 纸箱大小(CM) | 打包费(日元) |
|---|---|
| 信封0*0*0 | 100 |
| 60*60*50 | 920 |
| 60*45*35 | 920 |
| 55*50*40 | 920 |
| 50*50*35 | 920 |
| 45*35*35 | 680 |
| 35*35*30 | 580 |
| 30*25*25 | 480 |
| 25*20*15 | 380 |
| 70*35*35 | 920 |
| 50*40*15 | 580 |
| 45*25*18 | 480 |
| 40*40*40 | 820 |
| 60*40*15 | 680 |
| 60*40*40 | 920 |
| 45*45*30 | 920 |
如果合寄打包的商品超过5件,每增加4件,加收人工费用300日元,不足5件按4件计算。
7. 跨境支付手续费
您支付的所有费用(包括货值、邮费等)需要加上2%跨境支付手续费。您可以理解为购汇手续费和国际汇款手续费。
8. 仓储费
货品到达仓库之日起,日拍网提供90天免费保管。超过90天之后,我们将按每件每个月500日元开始收取仓库保管费。如果仓库保管费超过了您货品的货值,我们有权处理该货品(转卖或废弃)。
9. 仓库特殊增值服务费
I.家具等超大件或超过30KG的物品,需要增收超重处理费 3000日元/件。
II.如果需要拍照,测试漏水等品检服务,需要增收特殊服务费 300日元/件。
Ⅲ.多件同捆打包的,总重量超过15KG时,需增收300日元/箱打包费。
Ⅳ. 如果货品是寄日本国内或日本自提,买家需要支付货值的5%的增值服务费。
Ⅴ. 已打包完成的包裹(包括退运返回日本仓库的包裹),如果您需要拆包,日拍需要收取一定的拆包费,(一个包裹拆成两个包裹收取2000日元拆包费、一个包裹拆成三个包裹收取3000日元拆包费......以此类推)
10. 海关关税
I.如果支付二时,物流选择直邮方式
如果物品被扣关,您需要自行处理海关清关,税费按当地海关要求缴纳。
II.如果支付二时,物流选择代理清关方式
根据商品的种类,您需支付货值的10%-20%不等的关税,非奢侈品类税率为10%。
11. 弃标赔偿费
日拍网不接受弃标,一旦出价成功,出价将无法取消。一旦成功中标,您必须全款(得标价含消费税+日本邮费)支付该拍品。如果您拒绝支付即视为弃标,如果48小时之内未支付得标拍品,卖家可能会删除交易,这种情况也视为您弃标。弃标也必须全额支付(得标价含消费税+日本邮费),否则日拍网有权扣除您的出价押金或保证金,出价押金或保证金低于拍品中标价格时,日拍网将扣押您的库存拍品作为赔偿。也就是不接受任何理由的弃标,必须48小时之内完成支付。
三、 订单分段支付说明
1. 支付一时,您需要支付以下费用。
商品的货值 + 平台服务费 + 预付运费 + 跨境支付手续费
2. 支付二
银行转帐费 + 日本国内运费 + 国际运费 + 仓库打包费 + 仓储费 + 仓库特殊增值服务费 - 支付一的预付运费 + 跨境支付手续费。
闽公网安备
ICP备案号:闽ICP备18024866号
Webサービス by JDirectitems! JAPAN