代拍详细

  • 1
  • 519 日元
  • 2025-09-12 13:27:14
  • 不可以
  • 2025-09-18 15:25:01
  • 新品
  • 买家承担
145mm 軸用 ばね鋼 スナップリング サークリップ 止め輪 1個入
请登录后查看价格
剩余 :043856
注意:倒计时可能存在误差,请及时刷新提前出价。详细时间
10 円
[查看出价记录]
l**87816260
亲,您还没有登录,请先登录后再进行出价入札!点击登录
JPY
24.92 元
扫一扫手机出价
加入购物车 试算费用
卖家资料
G8H*****
点数 1095
好评 1098
差评 3
海外
收藏的卖家
暂未收藏

日拍网友情提醒

  1. 阅读拍卖的 《出价规则》《风险》《费用》
  2. 了解清楚該拍品是否可以邮寄。
  3. 拍卖的物品不支持退货。
  4. 出价后无法取消出价,中标后不接受弃标(必须全款买下)。
  5. 对超大、超重的物品,请先了解我们的物流说明或咨询日本客服,以免因误解而给您造成损失!
  6. ジャンク品是故障品的意思,其它日语不明之处,请咨询我们客服。
  7. 拍收藏品的会员,特别是拍瓷器类的会员,我们对货品的真假不作担保,请在下标之前充分确认!一旦您出价成功,将不能取消。
  8. 打火机、食品、活的生物、动物相关制品、带锂电池的手机等电器请不要拍,寄不回去,如果强行拍下造成的损失请自负。
日本代购
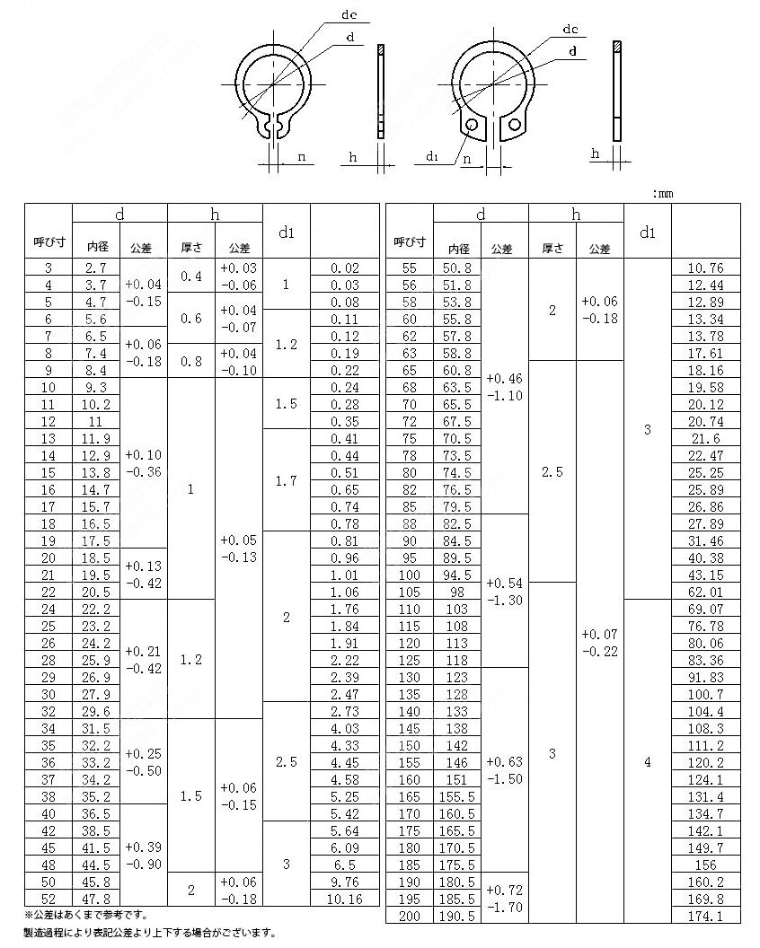
スナップリング
呼び寸:145mm
d 内径:138mm (公差:+0.63mm,-1.50mm)
h 厚さ:3.0mm (公差:+0.07mm,-0.22mm)
※公差はあくまで参考です。製造過程により表記公差より上下する場合がございます。
入数:1個
材質:ばね鋼
画像は表記サイズと異なる代表商品を使用している場合がございます。

【販売サイズ一覧】
スモールタイプ
3mm4mm5mm6mm7mm8mm9mm
通常タイプ
6mm7mm8mm9mm
10mm11mm12mm13mm14mm
15mm16mm17mm18mm19mm
20mm21mm22mm24mm
25mm26mm28mm
30mm32mm33mm34mm
35mm36mm37mm38mm
40mm42mm45mm47mm48mm
50mm52mm55mm58mm
60mm62mm65mm68mm
70mm72mm75mm78mm
80mm82mm85mm88mm90mm95mm
100mm105mm110mm115mm
120mm125mm130mm135mm140mm145mm
150mm155mm160mm165mm170mm175mm
180mm185mm190mm195mm
200mm

海外から発送(一部を除く)の為、「まとめて取引」の機能が出来ない仕様となっております。
弊店商品を複数点ご希望の場合はYahoo!ショッピング併売店にてカートにまとめてからご注文ください。

3営業日以内出荷、出荷日から4-10日着予定です。
※あくまで予定の為、状況により日数が変わる場合がございます。
ご注文(ご入金)後のキャンセルは承っておりません。

送料:Yahoo!オークションに出品されている弊店商品は全国一律600円です。

発送に関するお知らせ:こちらをクリック
銀行振込を選んだ場合の振込先:こちらをクリック

弊店はYahoo!ショッピング、Yahoo!オークション併売ストアです!
ヤフーショッピング併売ストア案内バナーです。まとめてご注文をしたい方、領収書が必要な方はヤフーショッピングをご利用ください


LINE公式アカウントからもお問合せが可能になりました!→ 友だち追加

1. 一口价

出价大于等于一口价时,拍卖将立即结束,您将以一口价中标。

2. 立即出价

立即出价金额是指您能接受该拍品的最高金额,代购服务费及各种运杂费除外。我们将最高金额直接提交到JDirectitems平台上。JDirectitems平台会根据他们的规则来逐步加价。

例如:扣除运杂费您立即出价1万日元,拍品的现在价格是1000日元,如果没有人竞争,您将以1000日元中标,如果有人竞争到5000日元,您将以5500日元中标,如果有人出价到15000日元,则对方会以11000日元中标。如果结束之前,您再次出价到20000日元,则您以16000日元中标。中标的前提是没有人再出价。结束前5分钟之内如果有人出价,则自动延时5分钟,直到没有人出价为止。

3. 预约出价

预约出价是指日拍网平台会在结束之前10分钟之内将您的出价金额提交到JDirectitems平台上。由于是集中出价,您的预约出价不一定会成功。

对重要拍品,建议不要使用预约出价。

4. 多会员竞拍同一件拍品时

会员竞拍同一件拍品时,我们通常会分配不同的ID去出价,但分配的ID有可能被卖家已经拉黑而不能正常出价。

5. 卖家取消出价

1)在结束之前,卖家有权取消买家的出价,但中标之后,卖家如果取消中标,JDirectitems平台会自动差评卖家。

2)您的出价无论是被超越,还是出价成功,都是有效出价,即使卖家删除最高价让您中标也是符合JDirectItems Auction规则,请谨慎对待您的每次出价,杜绝激情出价!

6. 提前结束下架

卖家有权在结束之前下架该拍品,所有出价全部自动取消。

7. 关于弃标

Ⅰ.日拍网的订单不接受任何理由弃标(含煤炉),必须48小时之内完成支付!
Ⅱ.一旦出价成功,出价将无法取消,请您谨慎出价!
Ⅲ.一旦成功中标,您必须全额支付该拍品(成交价+消费税+银行转账费+日本邮费+代购费)。
Ⅳ.如果您拒绝支付该拍品即视为您弃标。
Ⅴ.如果您48小时之内未支付该拍品,卖家可能会删除交易并给予日拍网恶评,这种情况也视为您弃标。
Ⅵ.弃标也必须全额支付该拍品(成交价+消费税+银行转账费+日本邮费+代购费)。
否则,日拍网有权扣除您对应比例的出价押金或保证金,出价押金或保证金低于中标拍品价格时,日拍网将扣押您的库存拍品作为赔偿。

一、海淘有惊喜,但同时也有风险,作为海淘者,您需要承担以下风险:


1.如果购买的是字画、瓷器等古美术品或知名品牌奢侈品,买家需要承担是仿品的风险

日拍网的拍品转自日本JDirectitems平台,没有能力管理约束卖家,我们只是买家和卖家之间的中介,履行中介义务,不承担卖家责任。日拍网的工作人员也不具备相关鉴定知识,无法分担此类风险。


2.收到的货品不满意或跟网页图片品相有差异(例如:卖家P图片),或日文描述没有看懂,买错了东西,无法退换的风险

如果卖家同意退换,物品寄回日本的国际邮费需要买家本人承担,日本国内寄回给卖家的邮费由日拍网承担。


3.商品在国际邮寄途中出现破损、丢失的风险。日拍网无法管控物流过程,无法替买家分担此类风险

直邮的快件出现破损、丢失的,邮寄时如果没有购买保险,日本邮局最高赔偿2万日元,如果有购买保险,按保险金额赔偿。出现破损的,需要当面做异常签收,否则买家自行承担破损的全部责任。


4.如果您的货品寄往日本本地,您在包裹签收前,请务必确认外包装是否有变形、破损、包装受潮、纸箱变色、纸箱重新封胶;商品是否破损、缺货。如有上述状况,您有权要求开封验货,以确认商品完整。如发现商品破损或少件,您务必用手机拍下破损情况,要求在快递单上写下实际情况且有权选择拒收,由快递公司来承担破损责任。并于当天告知我们,如未反馈,日拍网默认您货品完好,不承担任何责任。如果物品选择第三方物流(例如:第三方转运),请自行与第三方签订责任风险


5.如果您的包裹被退运,退运后再重新打包邮寄出现丢失、破损的风险由您本人承担,日拍网不承担任何责任。


6.对直邮的物品,以自用为原则,如果是商用请按货物进口申报,否则有走私的风险

大量邮寄非消耗类的同类物品超过一定数量(例如:500个铁壶、300台CD机、200个电饭锅等等)时,海关会认为超出了合理的自用范围而进行缉私侦查。


7.日拍网的出价ID是动态的,无法保证您一直使用同一个ID出价

例如:多人竞拍同一件拍品时、出现出价系统错误时等等,系统可能会更换ID。不同ID中标的拍品无法同捆。

二、作为代购中介方,日拍网将承担以下力所能及的风险:

1.买家付款之后,日本卖家不发货,由日拍网全额退款。


2.货品从卖家发到日拍网日本仓库途中出现丢失、损坏的由日拍网承担全额赔偿责任。


3.货品在日拍网仓库免费存储期内出现丢失,损坏的由日拍网承担全额赔偿责任。


三、日拍网的风险提醒:

1.如果您是新会员,首次出价购买工艺美术(古董收藏品)类目的商品时,系统会弹窗提醒:

“亲爱的会员,您出价的宝贝属于工艺美术品,日拍网是代拍平台,我们只是您和卖家之间的中介,履行中介义务,不承担卖家责任,您需要自己承担拍品是仿品的风险。出价之前也请仔细阅读拍卖详细页的《出价规则》、《风险》、《费用》等重要说明!”,您需要点“同意”才能继续出价。


2.卖家的好评低于100时,日拍网会弹窗提醒:

“亲爱的会员,此卖家的评价较低,可能存在诚信上的风险,日拍网只是您和卖家之间的中介,履行中介义务,不承担卖家诈骗风险。出价之前也请仔细阅读拍卖详细页的《出价规则》、《风险》、《费用》等重要说明!”,您需要点“同意”才能继续出价。


3.卖家的好评低于30时,日拍网会二次弹窗提醒:

首先“亲爱的会员,此卖家的好评低于30,可能存在诈骗风险,日拍网只是您和卖家之间的中介,履行中介义务,不承担卖家诈骗风险。出价之前也请仔细阅读拍卖详细页的《出价规则》、《风险》、《费用》等重要说明!”,点“同意”后,二次弹窗提醒“亲爱的会员,此卖家的好评低于30,可能存在诈骗风险,您需自行承担此风险,确定要出价吗?”,您需要“同意”才能继续出价。


4.卖家好评低于5时,日拍网将禁止出价,您需要联系客服,确定自行承担相关风险后解禁。


5.每次出价之前,日拍网弹窗提醒您仔细阅读《出价规则》、《风险》、《费用》等重要说明,您需要“同意”才能继续出价。


四、我们拒绝代购以下商品,简称服务外商品:

(一)禁止购买的物品

1.商品重量和体积超过各种邮寄方式限制的物品

能否邮寄请提前咨询客服。


2.根据日本的法律被限制出口的商品(如药品、活的生物)。


3.华盛顿公约或CITES公约禁止交易的物品,详细说明请参考《华盛顿公约或CITES公约》。


4.中华人民共和国禁止进境物品

①各种武器、仿真武器、弹药及爆炸物品;

②伪造的货币及伪造的有价证券;

③对中国政治、经济、文化、道德有害的印刷品、胶卷、照片、唱片、影片、录音带、录像带、激光视盘、计算机存储介质及其它物品;

④各种烈性毒药;

⑤鸦片、吗啡、海洛因、大麻以及其它能使人成瘾的麻醉品、精神药物;

⑥带有危险性病菌、害虫及其它有害生物的动物、植物及其产品;

⑦有碍人畜健康的、来自疫区的以及其它能传播疾病的食品、药品或其它物品。


5.中华人民共和国限制进境物品

①无线电收发信机、通信保密机;

②烟、酒;

③濒危的和珍贵的动物、植物(均含标本)及其种子和繁殖材料;

④国家货币;

⑤海关限制进境的其它物品。


常见禁止和限制购买的物品例如象牙及相关加工制品、活物、动物部件(例:鲸牙,虎牙等)、龟甲、植物、香木、沉香木、檀木(例:紫檀、白檀、黑檀等)、花梨木、珊瑚类、琥珀、药品、流通货币、羽毛、纸币、蛤基棋子、仿真枪、刀具、烟(含电子烟)、酒、涉黄物品(例:影片、音像、图片、书籍书刊、BL书籍等所有涉黄周边内容)、毒品、反动报刊、皮草、貂皮、鲛皮、动物皮制衣服等所有海关禁止入境或其它一切国家禁止买卖的商品。


请参考

《中华人民共和国禁止进出境物品表》和《中华人民共和国限制进出境物品表》(1993年2月26日海关总署令第43号发布自1993年3月1日起施行)

详情请点击:http://www.customs.gov.cn//customs/302249/302266/302267/356445/index.html


(二)日本邮局无法承运的物品

含有金、银等贵重金属的物品、液体类、香水、打火机、火柴、蜡烛、木炭、电池、电池无法拆除的器物、移动电源、无线电类、蓝牙耳机、精密仪器、电脑硬盘、高压气体、救生圈、避震器、排气管、方向盘(含气囊)、化油器、油箱油罐等(含油渍)物品、带气体或带油渍物品、膏类、脂类(例:润滑脂等)、热水器、火钵类、煤气炉等(用瓦斯)、带喇叭、磁铁的物品(例:音响)、发动机或带发动机的模型、马达或带马达的模型、贝壳及贝壳镶嵌类物品(例:含螺鈿細工工艺品)、颜料、打印机墨盒、易燃易爆物品、电机、电容、粉末类。以上物品其它物流(例:FEDEX)能否邮寄请咨询客服。

日拍网的汇率采用中国银行现钞卖出价,即您人民币现金购买日元现金的汇率。

1. 购买的货品价格。

2. 日本银行转帐费。

由日拍网支付给日本卖家时发生的银行转帐费。

转帐金额 < 3万日元时,银行转帐费 = 160 日元

转帐金额 >=  3万日元时,银行转帐费 = 250 日元

3. 日本国内邮费

日本卖家将货品发送到日拍网日本仓库时发生的邮寄费。

请参考商品网页上的说明,若无说明,一般普通3KG左右的普通件700日元左右,超大件2000日元至1万日元不等。下单前有疑问的请咨询客服。

4. 国际邮费

货品的国际邮费以物流公司或邮局的实际收费为准,日拍网自有的物流渠道以网站公布的价格为准,如价格有变动,我们会在会员中心即时通知。现有邮费价格请参考附件《国际邮费价格表》

5. 日拍网服务费

I.日拍网的服务费根据货值按以下规则分段收费。

单 件 货 值(日元) 服 务 费(日元)
货值 < 1万 380
1万 <= 货值 < 5万 1000
5万 <= 货值 < 10万 3000
10万 <= 货值 < 50万 5000
货值 >= 50万 20000

    II.折扣条件

在仓库的货品积压低于30件的可给予服务费7折优惠。其它折扣条件见平台活动公告。

注:服务费380日元最低档不享受折扣

6. 包装材料费

日拍网的包装材料费按使用纸箱大小收费,在标准包装之外要特别加强包装的,另外加收每箱200-500日元,需特定纸箱或木箱的视成本情况如实收取。

纸箱大小(CM) 打包费(日元)
信封0*0*0 100
60*60*50 920
60*45*35 920
55*50*40 920
50*50*35 920
45*35*35 680
35*35*30 580
30*25*25 480
25*20*15 380
70*35*35 920
50*40*15 580
45*25*18 480
40*40*40 820
60*40*15 680
60*40*40 920
45*45*30 920

如果合寄打包的商品超过5件,每增加4件,加收人工费用300日元,不足5件按4件计算。

7. 跨境支付手续费

您支付的所有费用(包括货值、邮费等)需要加上2%跨境支付手续费。您可以理解为购汇手续费和国际汇款手续费。

8. 仓储费

货品到达仓库之日起,日拍网提供90天免费保管。超过90天之后,我们将按每件每个月500日元开始收取仓库保管费。如果仓库保管费超过了您货品的货值,我们有权处理该货品(转卖或废弃)。

9. 仓库特殊增值服务费

I.家具等超大件或超过30KG的物品,需要增收超重处理费 3000日元/件。

II.如果需要拍照,测试漏水等品检服务,需要增收特殊服务费 300日元/件。

Ⅲ.多件同捆打包的,总重量超过15KG时,需增收300日元/箱打包费。

Ⅳ. 如果货品是寄日本国内或日本自提,买家需要支付货值的5%的增值服务费。

Ⅴ. 已打包完成的包裹(包括退运返回日本仓库的包裹),如果您需要拆包,日拍需要收取一定的拆包费,(一个包裹拆成两个包裹收取2000日元拆包费、一个包裹拆成三个包裹收取3000日元拆包费......以此类推)

10. 海关关税

I.如果支付二时,物流选择直邮方式

如果物品被扣关,您需要自行处理海关清关,税费按当地海关要求缴纳。

II.如果支付二时,物流选择代理清关方式

根据商品的种类,您需支付货值的10%-20%不等的关税,非奢侈品类税率为10%。

11. 弃标赔偿费

日拍网不接受弃标,一旦出价成功,出价将无法取消。一旦成功中标,您必须全款(得标价含消费税+日本邮费)支付该拍品。如果您拒绝支付即视为弃标,如果48小时之内未支付得标拍品,卖家可能会删除交易,这种情况也视为您弃标。弃标也必须全额支付(得标价含消费税+日本邮费),否则日拍网有权扣除您的出价押金或保证金,出价押金或保证金低于拍品中标价格时,日拍网将扣押您的库存拍品作为赔偿。也就是不接受任何理由的弃标,必须48小时之内完成支付。

三、 订单分段支付说明

1. 支付一时,您需要支付以下费用。

商品的货值 + 平台服务费 + 预付运费 + 跨境支付手续费

2. 支付二

银行转帐费 + 日本国内运费 + 国际运费 + 仓库打包费 + 仓储费 + 仓库特殊增值服务费 - 支付一的预付运费 + 跨境支付手续费。

Copyright © 2008 日拍网 All rights reserved.  闽公网安备 ICP备案号:闽ICP备18024866号 Webサービス by JDirectitems! JAPAN